Triad's high reliability audio transformers provide the durability and precision required in today's demanding designs. These Mil-T-27E Red Spec transformers are available for a wide variety of applications including Mil-Aero, Medical and Pro Audio.
Unit of Measure

Check Stock

Click here to check stock >>

N/A

Electrical Specifications at 25 Degree Celsius (ºC) Temperature

Mil Type Number

N/A TF5S21ZZ

Matching Inductance (Primary)

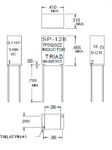
N/A 0.1 H

Max. Primary Unbalanced DC Current

N/A 5.0 mA

DC Resistance (Primary)

N/A 15.0 Ohm

Operating Temperature

N/A -40 to 85 ºC

Frequency Response Range

N/A ±2.0 DB, at 300 Hz to 100K Hz

Industry Standards

N/A MIL-T-27E

Technical Notes

N/A

  1. Plug-in terminals are precision spaced to provide fixed mounting centers.
  2. Red Spec transformers are hi-pot tested at 1,000 VRMS.
  3. 150 VDC working voltage.
  4. Red Spec transformers feature small footprint base dimensions of 0.310 by 0.410 inch.
  5. Pin diameter = 0.020 inch.

Construction

Construction

N/A Plug-in terminals are precision spaced to provide fixed mounting centers. UL94 V-0 rated molded case includes a 0.020” recess for ease of solder inspection. Leads are made of high strength Nickel alloy, gold plated and are 0.020” in diameter.

RoHS Compliance

RoHS Compliance

N/A As of manufacturing date February 2016, all standard products meet the requirements of 2015/863/EU, known as the RoHS 3 initiative.

Features

Features

N/A Epoxy Molded Case
Exceptional Operation from 300 Hz to 100 kHz
Gold Plated Leads

SnapMagic

N/A