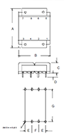
Item Details : Item # FP16-1500 , PC Mount Flat Pack™ Power Transformers