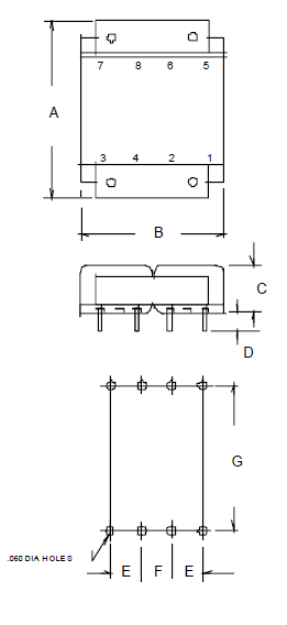
Item Details : Item # FP30-800 , PC Mount Flat Pack™ Power Transformers